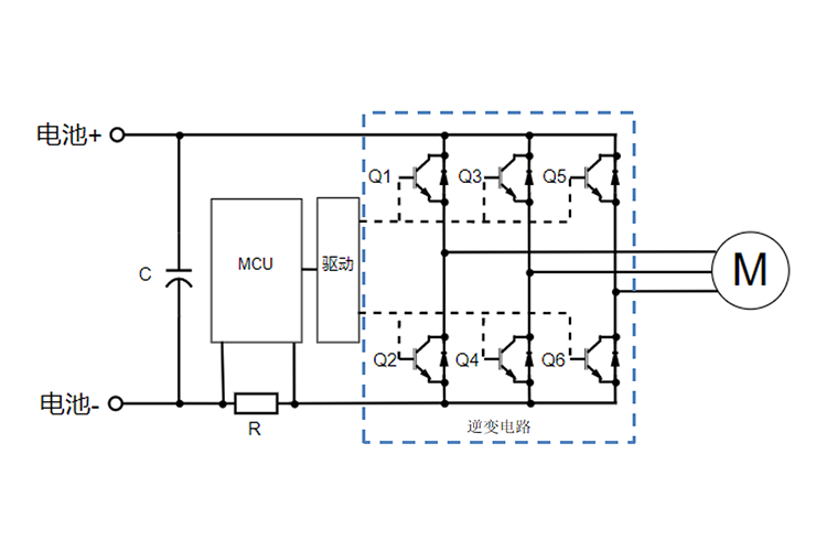
Car power inverter play an extremely important role in electric vehicles. Main converters help convert the direct current of the battery into alternating current with adjustable frequency and amplitude, which is used to drive the motor that controls the wheel speed.
New energy vehicle main invert
Application Overview
Application Overview
New energy vehicle main invert
Application System Diagram
Application System Diagram
New energy vehicle main invert
Application Topology Diagram
Application Topology Diagram
New energy vehicle main invert
Recommended Products
Recommended Products
IGBT Modules Product List
| Part Number | VCE(V) | Ic(A)@100℃ | Vcesat(V) @25℃ typ |
Eon(mJ) | Eoff(mJ) | Package | Datasheet |
|---|---|---|---|---|---|---|---|
| MPFF600R12MBF M5 | 1200 | 600 | 1.65 | 118.4 | 79.2 | EconoDUAL 3 | Download |
| MPFF600R12MBF M3 | 1200 | 600 | 2.2 | 151.3 | 88.6 | EconoDUAL 3 | Download |
| MPFS950R08PBF | 750 | 950 | 1.45 | 12 | 19 | HybridPACK Drive | Download |
| MPFS820R08PBF | 750 | 820 | 1.37 | 15.6 | 17.4 | HybridPACK Drive | Download |
| MPFS400R08HBFF | 750 | 400 | 1.43 | 6.4 | 10.48 | HP1 DC2 平底板 | Download |
| MPFS400R08HBF | 750 | 400 | 1.45 | 14.5 | 31.7 | HP1 DC6 Pinfin | Download |
Silicon-based chip and module series
Third generation semiconductor chip and module series